Хит

Сенсорный смеситель для раковины Geberit тип 60, питание от батареи, с миксером и ручкой 115.723.21.1

  • Производитель: Geberit
  • Код Товара: 2731-01
В наличии
89163 р
-
+

Технические характеристики
Тип батарей CR-P2 (6 В)
Рабочее напряжение 6 В пост. тока
Рабочее давление 1-8 бар
Перепад давления холодной воды / горячей воды ≤ 1.5 бар
Максимальное испытательное давление воды 16 бар
Максимальное испытательное давление воздуха/инертного газа 3 бар
Температура окружающего воздуха 1-40 °C
Максимальная температура воды 65 °C
Максимальная рабочая температура воды, кратковременно 90 °C
Расход воды при 3 бар 6 л/мин
Расчетный расход 0.07 л/с
Минимальное гидравлическое давление для расчетного расхода 1 бар
Расстояние распознавания, диапазон настройки 5-22 см
Расстояние распознавания, заводская установка 22 см
Материал Хромированная латунь

Цели применения
Для подачи водопроводной / питьевой воды
Для общественных и полуобщественных зон
Для встраивания в умывальники или панели умывальников
Для подсоединения к линии подачи холодной и горячей воды (только для моделей со смесителем)
Для подсоединения к линии подачи холодной или смешанной воды (только для моделей без смесителя)
Для установки вместе с умывальником из нержавеющей стали
Модель со смесителем не подходит для проточного водонагревателя

Характеристики Help Icons
Блок смесителя I согласно стандарту DIN 4109
Автоматическое задействование смыва
ИК-датчик присутствия пользователя
ИК-датчик с автоматическими регулировками
Антивандальный
Ограничение объемного расхода с помощью аэратора
Настройка температуры через смеситель (только для моделей со смесителем)
Невозможно установить подачу только горячей или только холодной воды (только в моделях со смесителями)
Энергообеспечение от батареи
Возможно переоборудование на питание от сети
Батарея на приблизительно 200 000 срабатываний
Предупреждение о низком заряде батареи
Экономия воды благодаря двухлучевой технологии моментального сканирования
Функции регулируются и запрашиваются при помощи пульта для настройки Geberit
Регулируемая программа экономии воды
Возможна ручная регулировка различных функций

Объем поставки
Корзинчатый фильтр
Обратный клапан R 3/8"
Литиевая батарейка CR-P2, 6 В
Ключ для аэратора
Крепеж

Классификация товара
Артикул
115.723.21.1
Раздел
Смесители для раковины
Тип
Смеситель
Тип излива
Традиционный, Высокий
Тип переключателя
Сенсор
Тип смесителя
Бесконтактный
Назначение
Для раковины
Область применения
Бытовая, Для общественных мест
Стилистика дизайна
Современный стиль
Дизайн
Форма
Округлая
Покрытие
Хром
Цвет
Хром
Материалы
Материал
Латунь
Характеристики
Вращение излива
Фиксированный
Выдвижной излив
Нет
Высота излива
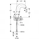
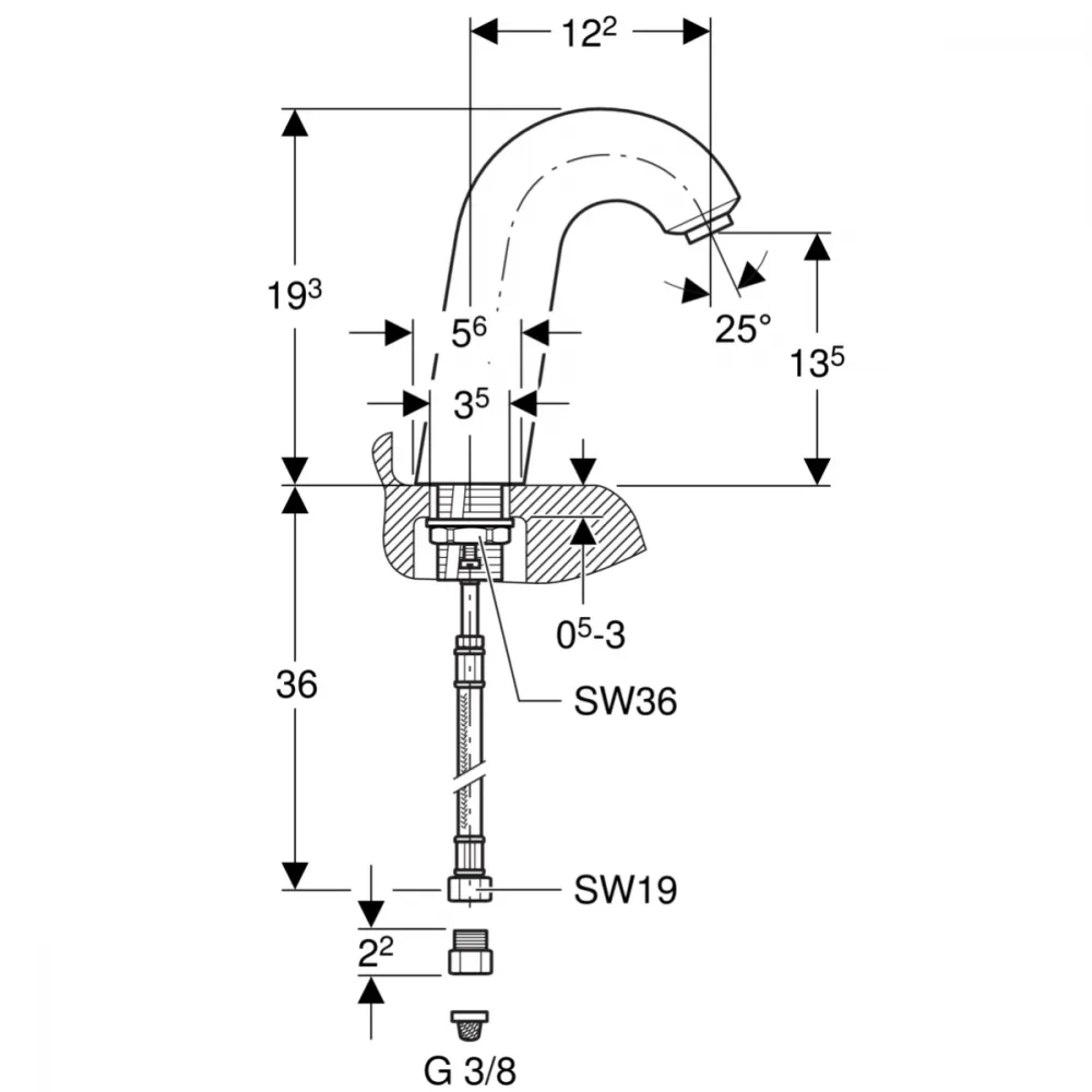
13.5 см
Длина излива
12.2 см
Максимальный расход воды
6 л/мин
Режим "душ" излива
Нет
Стандарт подводки
3/8''
Тип подводки
Гибкая
Габариты и вес
Вес
3.21 кг
Ширина (Упаковки)
41.5 см
Высота (Упаковки)
25.3 см
Глубина (Упаковки)
11.4 см
Функциональность и оснащение
Оснащение
Крепление, Аэратор, Гибкая подводка
Технические спецификации
Источник питания
От батареи
Отверстие для монтажа
На одно отверстие
Производитель и гарантия
Производитель
Geberit
Страна производства
Китай
Гарантия
2 года
Написать отзыв
Примечание: HTML разметка не поддерживается! Используйте обычный текст.
Информация о доставке

Мы доставляем товары по всей территории России

Таже доступен самовывоз по предварительной договоренности

Оплата доставки зависит от места доставки и суммы заказа


Доставка по Москве в пределах МКАД-1500руб. Заказы стоимостью выше 50000 руб. - 1000 руб.
Доставка до 20 км за МКАД - 2500 руб. до подъезда
Доставка от 20 км до 40 км от МКАД - 3500 руб. до подъезда
Доставка от 40 км до 60 км  от МКАД - 4500 руб. до подъезда
Доставка от 60 км от МКАД - от 8000 руб. до подъезда
Доставка до ТК (транспортной компании) в пределах МКАД -1000. (далее по тарифу ТК вашего региона)
Самовывоз-бесплатно